
项目名称:文山茂克电站光伏项目
产品应用:晋钢锌铝镁

01|项目简介
在云南省文山壮族苗族自治州文山市红甸乡茂克村附近,文山市“十四五”新能源90万千瓦装机光伏项目的重要子项目——茂克电站光伏项目,正源源不断地将光能转化为清洁电能。在这一项目的建设中,晋钢锌铝镁材料扮演着至关重要的角色,为项目的稳定运行与长久发展筑牢根基。
茂克电站光伏项目规划装机容量90MW,采用国产540wp单晶硅太阳电池组件与固定支架,新建升压站1座。项目自开工建设以来,便面临着地块分散、地势陡峭、高山道路崎岖、天气多雾等诸多挑战。项目建成并网投产后每年可为电网提供清洁电能15744万千瓦时,相较于火力发电可减少大量的二氧化碳、二氧化硫氮氧化物等温室气体,排放具备明显的节能减排效应。

在项目建设中,晋钢锌铝镁材料优势尽显。超强的耐腐蚀性,独特的合金镀层配方,让锌、铝、镁形成稳定三元共晶体结构,能有效阻挡腐蚀介质侵蚀。在文山当地多变的气候条件下,无论是潮湿多雨天气,还是强烈紫外线照射,晋钢锌铝镁都能为光伏支架等设备提供可靠防护,延长使用寿命,减少维护成本。
同时,晋钢锌铝镁有着出色的切口自修复能力。在加工或安装过程中,即便镀层切口暴露,其内部的镁元素也能快速氧化流动,填充裂缝,形成由氢氧化锌、碱性氯化锌及氧氧化镁等组成的致密保护膜,继续发挥防护作用。并且,表面涂敷的耐指纹涂层,进一步增强了产品的耐化学品性能,使其长久保持靓丽外观与优异耐蚀性能。
优异的机械性能,也让晋钢锌铝镁在项目中大放异彩。良好的延展性和成型性,完美适配光伏发电项目各类构件加工。无论是光伏支架的精准弯折,还是连接件的复杂塑形,晋钢锌铝镁都能轻松驾驭,确保构件质量稳定可靠,为整个光伏发电系统搭建起坚固骨架,保障项目顺利推进。
此次晋钢锌铝镁应用于文山茂克电站光伏项目,是科技与绿色能源的完美融合。未来,晋钢锌铝镁将继续凭借卓越品质,为更多光伏项目提供优质材料,为我国新能源事业发展贡献力量,助力绿色低碳转型,守护美好蓝天。
晋钢控股集团

02|晋钢锌铝镁
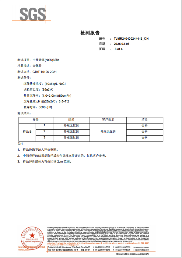
晋钢锌铝镁通过权威机构SGS第三方盐雾试验6000小时测试,为晋钢锌铝镁产品应用于实地环境提供了有力的事实依据。应用于此项目可以正常出具30年使用寿命的质保,得到了项目方的认可。


晋钢注重科技研发与实验测试投入,不断更新检测方式提高产品质量,得到了社会各界的广泛认可,晋钢锌铝镁被广泛应用于海洋环境、畜牧养殖、光伏发电、高速护栏、电缆桥架、地下管廊等领域。

2
产品优势
1、优良的耐腐蚀性能,独特的表面处理工艺,锌铝镁275g产品提供30年质保。
2、优秀的切口自修复能力,形成由氢氧化锌、碱性氯化锌及氧氧化镁等组成的致密保护膜。
3、表面涂敷的耐指纹涂层,进一步增强产品的耐化学品性能,长久保持靓丽的外观与耐蚀性能。
4、易加工成型,锌铝镁镀层的摩擦因数比纯锌镀层低15%;锌铝镁镀层的硬度是纯锌镀层的3倍左右,产品上机加工性能更加优良。
晋钢控股集团
4001102288 欢迎批评指正
All Rights Reserved 新浪公司 版权所有
